- Gaines non thermorétractables à paroi mince
- Gaines thermorétractables à paroi mince avec Adhésif
- Gaines thermorétractables à paroi moyenne avec ou sans adhésif
- Autres Series des gaine thermo-rétractable
- Manchons thermorétractables d'identification
- Connecteurs séparables accessorie
- Connecteur séparable
- 600A Deadbreak la jonction et douille intégrante
- 200A Coupe-charge la jonction
- 600A Deadbreak réduction de bouchon de robinet avec rallonge de douille
- 600A Deadbreak fiche de raccordement
- 600A Deadbreak connecteur tee
- 200A Coupe-charge isolée capuchon
- 200A Coupe-charge le raccord coudé
- 200A Coupe-charge douille de puits
- 200A Insérer de douille
- 630A Capuchon isolée
- 630A Deadbreak le connecteur tee classé 35kV
- Protection antisurtension évalué (MOA Évalué 20kV)
- 630A Protection antisurtension (MOA Évalué 15kV)
- 630A Deadbreak le connecteur tee (Non blindés)
- Connecteur séparable Type T
- 630A Appareillage douille
- Connecteur séparable droit
- Connecteur séparable coudé
- 250A Appareillage douille
- Matériaux résistants au feu céramique
- Rétractable à froid câble accessoires
- Les accessoires de câbles thermorétractable
- Appliqués à froid câble accessoires
- Câbles & fils
- Autres produits
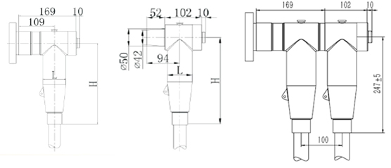
630A Deadbreak le connecteur tee (Non blindés)
Description:
Spécifications détaillées téléchargement
Fait de le caoutchouc EPDM
Compatible avec les coussinets de type C et les bouchons conformer à la norme EN 50180 et EN 50181
Pas d'exigences de dégagement en phase minimum
Conception compacte et l'élévation illimitée
100% testée en usine
Classe de tension: 15 kV
Testé conformément aux IEC 60502,4 à 2005
Données techniques
| Classe de tension | 15kV |
| Courant assigné | 630A-1250A |
| Douille de l'appareil | type C |
| AC Tension de tenue | 39kV pour 5min |
| Décharge partielle au 1.73U0 | ≤10pC |
| Supporter Impulse tension ( 10 fois pour chacune des polarités ) | 95kV |
| Section de câble | 25-500mm2 |
Tableau de sélection
| Numéro de pièce | Diamètre sur isolation /mm | Section de câble /mm2 | |
| Connecteur en Tee | Connecteur arrière | ||
| WE Ⅲ 15-630/Ø12 | WEK Ⅲ 15-630/Ø12 | Ø16-18 | 25 |
| WE Ⅲ 15-630/Ø13.5 | WEK Ⅲ 15-630/Ø13.5 | Ø17-20 | 35-50 |
| WE Ⅲ 15-630/Ø16.5 | WEK Ⅲ 15-630/Ø16.5 | Ø20-23 | 70-95 |
| WE Ⅲ 15-630/Ø19.5 | WEK Ⅲ 15-630/Ø19.5 | Ø23-26 | 120-150 |
| WE Ⅲ 15-630/Ø22.5 | WEK Ⅲ 15-630/Ø22.5 | Ø26-30 | 185-240 |
| WE Ⅲ 15-630/Ø24.5 | WEK Ⅲ 15-630/Ø24.5 | Ø30-33 | 300 |
| WE Ⅲ 15-630/Ø27.5 | WEK Ⅲ 15-630/Ø27.5 | Ø33-36 | 400 |
| WE Ⅲ 15-630/Ø30 | WEK Ⅲ 15-630/Ø30 | Ø36-39 | 500 |

Español
Français
Deutsch
Português
English
中文